TB Series
Redefining performance and reliability
in transmission

TB Series

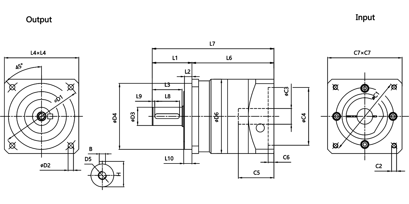
PRODUCT Precision Planetary Gearbox TB Series
TB SERIES
TB SERIES

Product Highlight

Model40-180
Ratio3-100
Input speed3000-10000 Rpm
Output torque14-1200 N.m

Ordering Information

TB.jpg

Technical Parameter

TB.jpg

Downloads Product Manual
Related Topics