GF SERIES PARALLEL SHAFT HELICAL GEAR REDUCER
Redefining performance and reliability
in transmission

GF SERIES PARALLEL SHAFT HELICAL GEAR REDUCER

PRODUCT R/K/F/S Series Gearbox GF SERIES PARALLEL SHAFT HELICAL GEAR REDUCER
GF SERIES PARALLEL SHAFT HELICAL GEAR REDUCER
GF SERIES PARALLEL SHAFT HELICAL GEAR REDUCER

Product Highlight

Model29-159
Ratio3.77-281.71
Input power0.12-110KW
Output torque200-18000N.m

Ordering Information

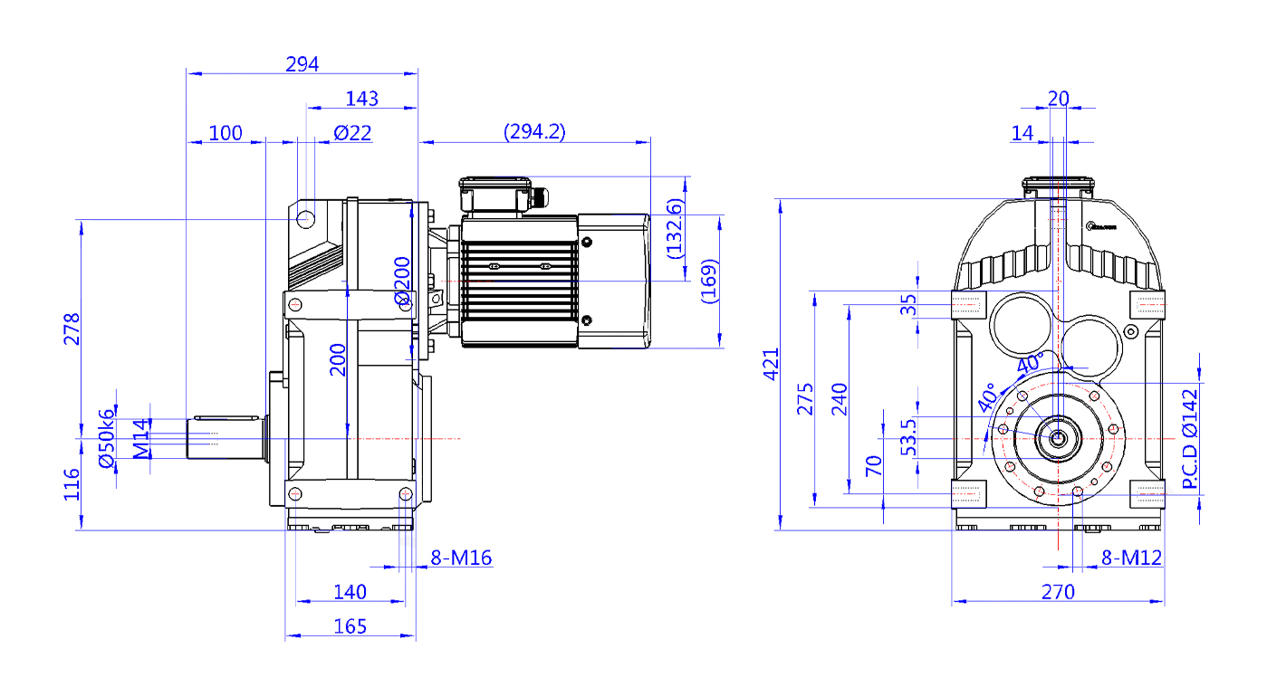
GF.png

Technical Parameter

GF.jpg

Rated output

torque

Continuous working

speed regulation range

Intermittent working 

speed regulation range

(r/min)

motor power

(Kw)

Motor input

speed

(r/min)

backlash

arc minute

output shaft

radial force

(N)

output shaft

axial force

(N)

100-180180-2400.20-24003-51530630
noiseefficiency

ambient

temperature

life tiime

(h)

lubrication

medium

weight

(kg)

moment

of inertia

remarks
≤6098%-15~+40℃≥20000

Fully synthetic 

grease

2.00.13

Helical gear/

Single stage

Downloads Product Manual
Related Topics